ID : 104
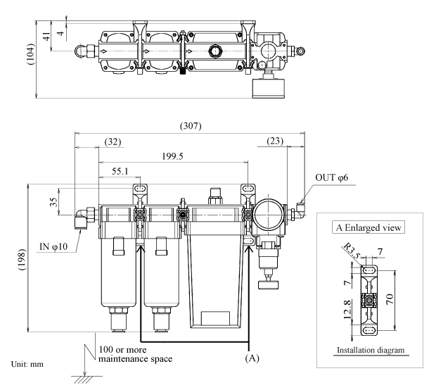
Air Purge Unit

A pressure input from Air Purge Unit to the robot must be set to 0.03MPa(4.35PSI) or less before connecting the unit to the robot.
Specifications
Range of Operating Conditions
| Applicable fluid | Compressed air |
| Maximum operating pressure | 0.85 MPa |
| Minimum operating pressure | 0.3 MPa |
| Ambient and fluid temperature | -5 to 55 ℃ (Freezing not allowed) |
Reference Performance
| Atmospheric dew point of outlet air | -20 ℃ |
Reference Performance Conditions
| Inlet air flowrate | 128 L/min (ANR) |
| Outlet air flowrate | 100 L/min (ANR) |
| Purging air flowrate | 25 L/min (ANR) |
| Inlet air pressure | 0.7 MPa |
| Inlet air temperature | 25 ℃ |
| Saturation temperature of inlet air | 25 ℃ |
| Ambient temperature | 25 ℃ |
| Purge air flowrate of dew point checker | 1 L/min (ANR) (when the inlet air pressure is 0.7 MPa) |
| Filtration degree of micromist separator | 0.01 μm (Efficiency 99.9 %) |
| Air consumption of precision pressure reducing valve | 3 L/min (ANR) (when the inlet air pressure is 0.7 MPa) |
| Air consumption of precision pressure reduction valve | 0.005 to 0.2 MPa |
| Mass | 1.9 kg |
ANR (Atmosphere Normale de Reference) refers to quantity of air at 20 ℃ under atmospheric pressure.
The air purge unit is not splashproof. Place it in a place where it will not be subjected to water.
PURGE Air Pressure
Use the unit when the PURGE air pressure is under the following value. When the unit is used at a high pressure accidentally, the environmental durability may be lost.
| Source air pressure | 0.01 to 0.03 MPa |
ID : 104

