ID : 1388
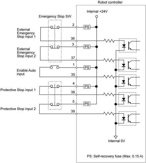
[PNP type] External Emergency Stop and Enable Auto Input Circuits for RC8
For Safety-I/O-less Version
The External Emergency Stop and Enable Auto input signals are important for safety. Be sure to configure their circuits with contacts as shown below.
For the overall configuration sample of an emergency stop circuitry, refer to "[PNP type] Emergency Stop Circuit for RC8."
![]() |
ID : 1388


