<< Prev        Next >>

ID : 1439

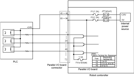
NPN-type I/O

Output Circuit When the Internal Power Source is Used (NPN).

Output Circuit When an External Power Source is Used (NPN).

ID : 1439

<< Prev        Next >>