<< Prev        Next >>

ID : 2365

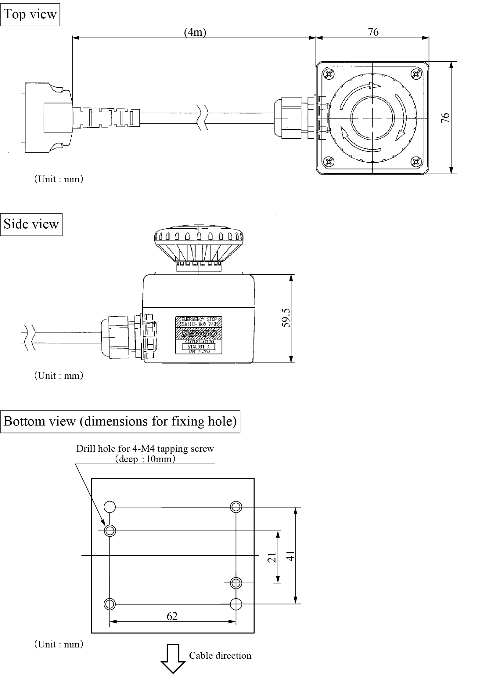
External Dimensions

The external dimensions of emergency stop switch box are shown in the figure below.

ID : 2365

<< Prev        Next >>