ID : 4639
Piping of Source Air
The robot unit is equipped with four air piping systems (6 mm in diameter a pipe) for controlling hands. Supply air that matches the hand in use, keeping the air pressure below the withstanding pressure of the pipe (0.59 MPa).
In addition to the four piping systems, the robot unit except the dust- & splash-proof type is equipped with another air piping system for the air balance cylinder (6 mm diameter). Air to be supplied to the cylinder should satisfy the following specifications.
- Air pressure: See "Adjusting the air balance cylinder".
- Air flowrate: 70 Nl/min (to be assured)
- Filtering: Dry air filtered through an air filter (Recommended filtration rating: 5 μm or below)
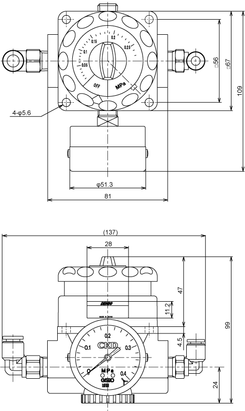
Also, observe the details below regarding the environment and conditions to install the air regulator.
- Avoid use in locations subjected to vibration and shock.
- Avoid use in locations subjected to ambient temperatures of 40℃ or higher.
- When there is a heat source in the surroundings, avoid use in locations subjected to radiant heat.
- Avoid use in atmospheres abundant in grit and dust, or atmospheres where corrosive gases or spatter are present.
- Avoid use in locations subjected to direct sunlight, the wind and rain, or water.
- Avoid repetition of drastic rise and fall in pressure or pressure pulsation, which can decrease the operating life of the pressure meter.
- Install as close to the robot as possible.
Air Piping of the Robot Unit (HM/HMS)
![]() |
![]() |
Outer Dimensions of the Air Regulator

ID : 4639



