ID : 5441
Reference Drawing of 2nd-axis
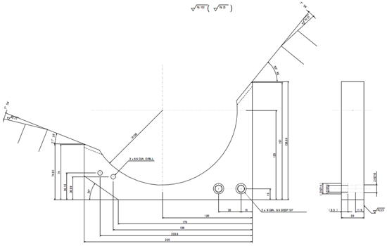
Reference Drawing of Part A

Please refer to this if the figure is not clear. (PDF:127KB)
Reference Drawing of Part B

Please refer to this if the figure is not clear. (PDF:120KB)
Reference Drawing of Part C

Please refer to this if the figure is not clear. (PDF:121KB)
Mounting Bolt D

ID : 5441

