ID : 5919
HM-W-UL Series Robot Unit (Floor-mount, Dust- & splash-proof type UL-Listed model)
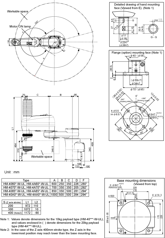
![]() |
Please refer to this if the figure is not clear.(PDF:137KB)
ID : 5919
ID : 5919
![]() |
Please refer to this if the figure is not clear.(PDF:137KB)
ID : 5919