ID : 857
Securing the Robot Unit
-
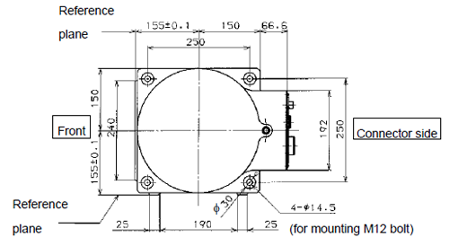
Drill four bolt holes (M12) 15-mm deep or more in the robot mount where the robot unit is to be secured, according to the dimensions shown below.

Bolt Positions for Securing the VM-6083/VM-60B1 -
Secure keys or pins to the reference planes.
Be sure to secure keys or pins. They can minimize positional deviations when you remove and reinstall the robot unit for maintenance. - Set the robot unit into place on the robot mount. When transporting the robot unit, follow the instructions given in "Transporting the Robot Unit ".
- Secure the robot to the mount with four bolts and plain washers.
- Bolt: M12 x 40 mm (strength class: 12.9, tightening torque: 128 ±26 Nm)
- Plain washer: JIS B 1256 (polished round)
ID : 857

