<< Prev        Next >>

ID : 863

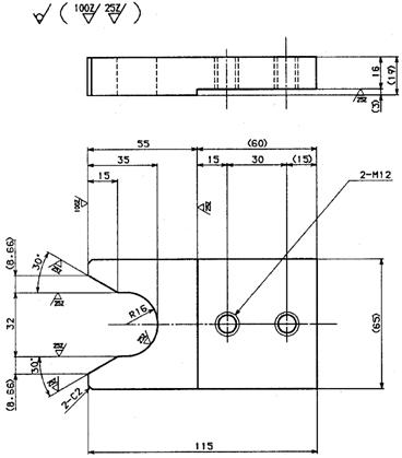
Holder

NOTE 1) ALL CORNERS SHOULD BE FINE-CHAMFERED UNLESS OTHERWISE SPECIFIED.

ID : 863

<< Prev        Next >>