ID : 875
Mechanical Stop,Fixture Block A
Mechanical Stop
|
VM-6083/VM-60B1 (For 1st-axis)
Material: A2017 |
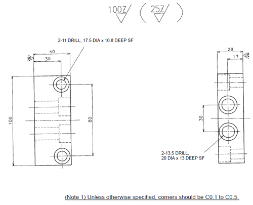
Fixture Block A
VM-6083/VM-60B1 (For 1st-axis)
Material: S45C |
ID : 875
ID : 875
|
VM-6083/VM-60B1 (For 1st-axis)
Material: A2017 |
VM-6083/VM-60B1 (For 1st-axis)
Material: S45C |
ID : 875