ID : 1037
Operation Preparation Start (Input)
Function
- By turning ON (short) this signal, input signals to „ described in (1), (2), input conditions and operation will be detected and the robot will automatically start to operate. Input these signals with the system output Robot Power ON Complete turned ON.
- By turning ON (short) Clear Robot Error, an error that has occurred will be cleared.
Input Conditions and Operation
Before inputting an operation preparation start signal, turn ON (short) inputs (1) to (3) below.
Note that CAL execution (input) is for the compatible mode-use only.
Switching CAL execution causes no effect on operations because RC8 series controls no robot that requires CAL.
(1) Motor Power ON (Input)
By turning ON (short) the operation preparation start signal with this signal turned ON (shorted), the power to the motor will be turned ON. However, this signal can be used only in the Auto mode.
(2) SP100 (Input)
By turning ON (short) the operation preparation start signal with this signal turned ON (shorted), SP100% will be set.
(3) Program Reset (Input)
By turning ON (short) the operation preparation start signal with this signal turned ON (shorted), all programs will be initialized.
By turning ON (short) the operation preparation start signal with all inputs (1) to (3) turned ON (shorted), (1) to (3) will be executed one by one. Inputs (1) to (3) will also become valid when part of them are executed by the teach pendant or mini-pendant.
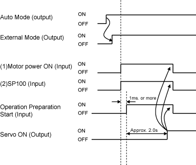
For the input timing of the operation preparation start signal and (1), (2) see the figure given below.
The operation preparation start signal and (1), (2), will be turned OFF (falling) upon turning ON of the servo ON (output) is turned ON.
Although the robot is made to execute all items at start-up, execute only necessary items at the time of recovery from suspension during operation to reduce recovery time.
Timing Chart
|
|
ID : 1037


