ID : 1379
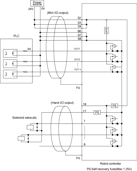
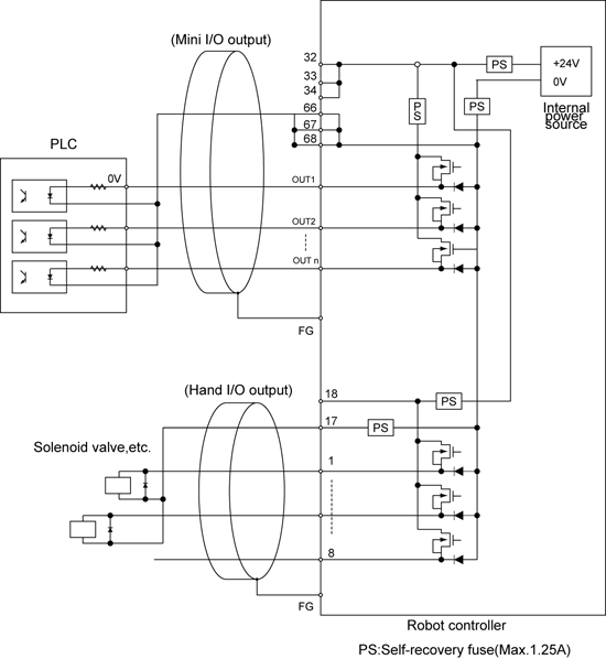
[PNP type] User-Output, System-Output, and Hand-Output Circuits for RC8
The figure below shows examples of the configuration and connection of the robot controller's user-output, system-output and hand-output circuits.
- The User-Output, System-Output and Hand-Output Circuits are open collector output circuits.
- The maximum allowable source current is 70 mA.
Keep the current consumption of a device to be connected to the Robot Controller, such as a PLC and a relay coil, below the allowable current. - Select an induction load, such as a relay coil, which has a built-in diode (for absorbing inverse electromotive force).
To use an induction load without a built-in diode, add a diode equivalent to the 1S1888 (Toshiba) in close vicinity to the coil.
When externally attaching a diode, connect it with correct polarity. Incorrect polarity may damage the Output circuit.
- Connecting a lamp requires a circuit through which dark current flows and use a lamp whose rating is 0.5W or less.
Since the initial resistance of a lamp is small, the output circuit may be damaged by rush current that flows when the lamp lights. To reduce rush current, select and connect a resistor R that allows dark current 1/3 or less of the rated current to flow when the lamp goes OFF.
Refer to the figureabelow. - Use a multi-core shielding cable for the purpose of protecting the devices from external noise. Ground it to the robot controller.
- The maximum allowable capacity for the total of Mini I/O, Hand I/O and Parallel I/O of the internal source is 1.3A. Use the internal source within this allowable range.
- +24V internal power source of the robot controller must not be grounded.
If the output terminal +24V of internal power source is grounded, there may be a case where the controller is damaged.
- After the controller power supply is turned ON, the outputs perform with full-load until software start-up has finished. Do not use the outputs as signals before the start-up has finished.
When the External Power Source is Used
|
|
When the Internal Power Source is Used
|
|
Example of Circuit with Lamp (NPN type)
![]() |
ID : 1379




