<< Prev        Next >>

ID : 1440

PNP-type I/O

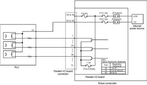
Output Circuit When the Internal Power Source is Used (PNP).

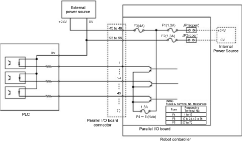
Output Circuit When an External Power Source is Used (PNP).

ID : 1440

<< Prev        Next >>