Full-text
Command
Select manual
VS SERIES USER'S MANUAL
VM SERIES USER'S MANUAL
VP SERIES USER'S MANUAL
PROGRAMMER'S MANUAL
RC8 SERIES ROBOT CONTROLLER MANUAL
RC8 MINI I/O MANUAL
SYSTEM I/O SIGNALS GUIDE
PARALLEL I/O BOARD MANUAL
DEVICENET SLAVE BOARD MANUAL
CC-LINK REMOTE DEVICE BOARD MANUAL
ELECTRIC GRIPPER GUIDE
PROVIDER GUIDE
FUNCTION GUIDE
TEACH PENDANT OPERATION GUIDE
MINI PENDANT OPERATION GUIDE
TP PANEL GUIDE
SAFETY PRECAUTIONS
BASIC KNOWLEDGE OF ROBOTS
OPTIONAL COMPONENTS
WINCAPSⅢ GUIDE
UNRECOMMENDED COMMAND
HM SERIES USER'S MANUAL
HS SERIES USER'S MANUAL
RC7M COMMAND CORRESPONDENCE TABLE
PROFIBUS SLAVE BOARD MANUAL
ERROR CODE
XR SERIES USER'S MANUAL
ETHERNET/IP ADAPTER BOARD MANUAL
STARTUP MANUAL
EXTENDED-JOINT MANUAL
CONVEYOR TRACKING MANUAL
HAND I/O MANUAL
VS-6556/6577 SERIES USER'S MANUAL
MC8 SERIES (MOTION CONTROLLER) MANUAL
CONTROLLER PROTECTIVE BOX MANUAL
PROFINET IO DEVICE BOARD MANUAL
DEVICENET MASTER BOARD MANUAL
TRANSFER ROBOT USER'S MANUAL
I/O CONVERSION BOX MANUAL
PARAMETER LIST
ETHERCAT SLAVE BOARD MANUAL
EXTERNAL VISUAL DEVICE GUIDE
BUILT-IN VISION GUIDE
COOPERATIVE CONTROL FUNCTION GUIDE
EMERGENCY STOP SWITCH BOX MANUAL
GLOSSARY
HOW TO USE THIS MANUAL
Q&A
HSR SERIES USER'S MANUAL
RC8A SAFETY MOTION SPECIFICATION MANUAL
RC8A MINI I/O MANUAL
ETHERCAT SLAVE MOTION MANUAL
HSA1 SERIES USER'S MANUAL
SELECTIVE EXTENDED JOINT (ETHERCAT) MANUAL
CIRCULAR TRACKING MANUAL
COMMAND-SLAVE REFERENCE GUIDE_SIEMENS-S7
COMMAND-SLAVE APPLICATION GUIDE_SIEMENS-S7
DUAL ARM CONTROL FUNCTION MANUAL
COMMAND-SLAVE APPLICATION GUIDE_Rockwell
COMMAND-SLAVE REFERENCE GUIDE_Rockwell
COMMAND-SLAVE REFERENCE GUIDE_CODESYS
COMMAND-SLAVE APPLICATION GUIDE_CODESYS
COMMAND-SLAVE REFERENCE GUIDE_ProConOS
COMMAND-SLAVE APPLICATION GUIDE_ProConOS
ROBOT PROTECTIVE JACKET FOR FOOD PROCESSING
Home Position Guidance Function Instruction Manual
ID Jump
AND
OR
Text Size
S
M
L
HOME
ROBOTS
XR SERIES USER'S MANUAL
Specifications of the Robot Unit
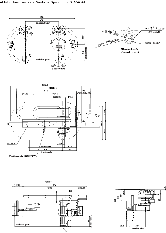
Outer Dimensions and Workable Space of the Robot Unit
XR2-43411
<< Prev
Next >>
SAFETY PRECAUTIONS
ROBOTS
START UP MANUAL
CONTROLLER & I/O
OPERATION GUIDE
PROGRAMMING
WINCAPSIII GUIDE
OPTION
ERROR CODE
PARAMETER LIST
OTHERS
ID : 2229
XR2-43411
Please refer to this if the figure is not clear.
(PDF:450KB)
ID : 2229
<< Prev
Next >>
Back to Top