ID : 4595
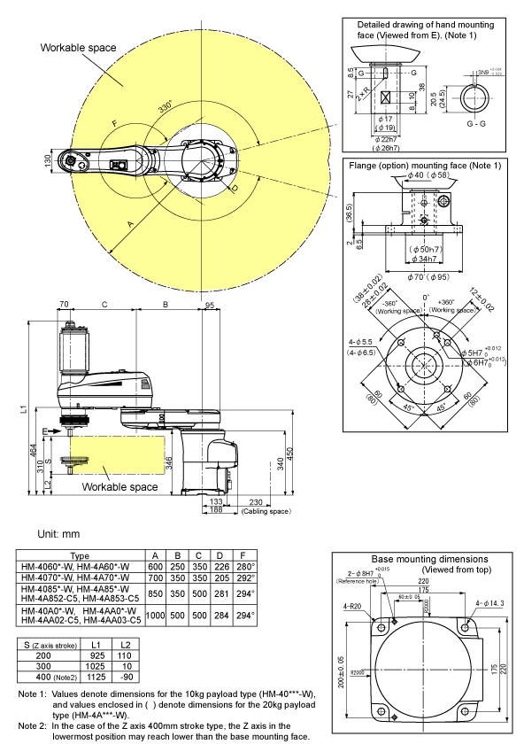
HM-W,HMC5 Series Robot Unit (Floor-mount, Dust- & splash-proof type, Clean room type)
![]() |
Please refer to this if the figure is not clear.(PDF:550KB)
ID : 4595
ID : 4595
![]() |
Please refer to this if the figure is not clear.(PDF:550KB)
ID : 4595