ID : 4598
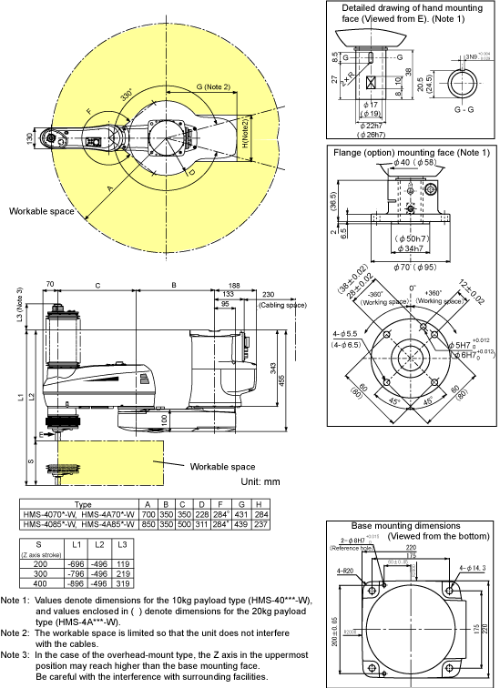
HMS-W Series Robot Unit (Overhead-mount, Dust- & splash-proof type)
![]() |
Please refer to this if the figure is not clear. (PDF:139KB)
ID : 4598
ID : 4598
![]() |
Please refer to this if the figure is not clear. (PDF:139KB)
ID : 4598