ID : 4783
CALSET
What is a CALSET Position?
Calibrating the relationship between position-related information recognized by the robot controller and the actual position of the robot unit is called CALSET.
CALSET uses a previously determined axis position where an axis can be secured. It creates calibration data (CALSET data) that matches the actual axis position (CALSET position) with the encoder value. The angle of the CALSET position is saved in the robot controller as a RANG value.
The CALSET data is different on each robot.
CALSET must be performed when the motor is replaced or when the encoder backup battery goes dead and the position-related data retained in the encoder is lost as a result.
CALSET data should be managed by the customer.
Back up the CALSET data periodically, referring to "Backing up Projects".
Factory Defaults of CALSET Position
Each axis has a mechanical end in each of the positive and negative directions. The CALSET to be carried out before shipment uses mechanical ends shown below as CALSET positions.
| Location | 1st axis | Turning end in the positive direction (counterclockwise end when viewed from the top) | |
|---|---|---|---|
| 2nd axis | Turning end in the negative direction (clockwise end when viewed from the top) | ||
| 3rd axis | Upper end (in the positive direction) | ||
| 4th axis | Turning end in the positive direction (counterclockwise end when viewed from the top) | ||
| External appearance | HS series
|
CALSET Bolt (built in the robot unit) |
|
HSS series
|
|||
Preparation for CALSET
Press each of the axes against the associated mechanical ends by hand to get the actual positions.
CALSET requires some space for bringing each axis into contact with the mechanical end.
- When CALSETing, move the axis to be CALSET in the vicinity of the mechanical end, release the brake, and bring the axis into contact with the mechanical end.
- After CALSET, confirm in the manual mode that each axis stops at the software motion limit before coming into contact with the mechanical end.
- In automatic operation, start to run the robot at low speed. Ensuring safety, gradually increase the speed. It makes adjustment easy.
- Position-related data in some programs made before CALSET may vary somewhat after CALSET.
When CALSETing the 4th axis of the dust-& splash-proof type or cleanroomtype, you need to pull down the lower bellows for setting the CALSET bolt.
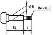
Mounting CALSET Bolts on the 4th Axis
To CALSET the 4th axis, you need to mount a CALSET bolt on the axis. As illustrated below, the CALSET bolt is built in the robot unit, so remove it and set it up into the specified position. After completion of CALSET, put it back into place.
CALSET Procedure
1
Release the brake of an axis to be CALSET and move the axis to the CALSET position.
2
Use the teach pendant to select CALSET.
For detail operation, refer to "Displaying CALSET Operation Menu".
ID : 4783





