ID : 5444
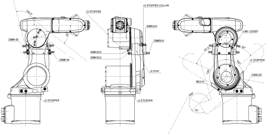
Reference Drawings of 3rd-axis Mechanical Stop (VS6556)
The figures below show the mechanical end configured with a 3rd-axis mechanical stop. The reference drawings of the mechanical stop and the related parts are given on the following pages.
The 3rd-axis mechanical stop is designed to set the 3rd-axis motion range between 128° in the positive direction and 14.5° in the negative direction.
3rd-axis Mechanical Stop Mounted on the Robot Unit
|
Please refer to this if the figure is not clear.(PDF:269KB) |
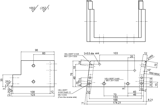
Reference Drawing of Stay for 3rd-axis Mechanical End
|
Material: A2017-T4 |
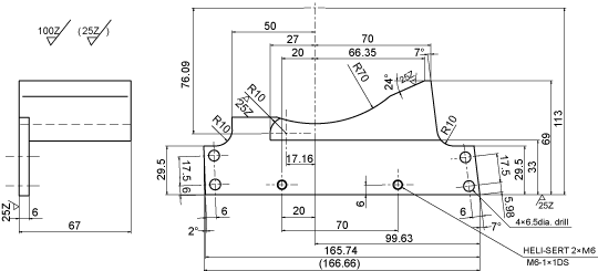
Reference Drawing of 3rd-axis Mechanical Stop
|
Material: A2017-T4 |
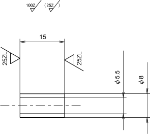
Reference Drawing of Spacer for 3rd-axis Mechanical End
|
Material: S45C |
ID : 5444





