ID : 5921
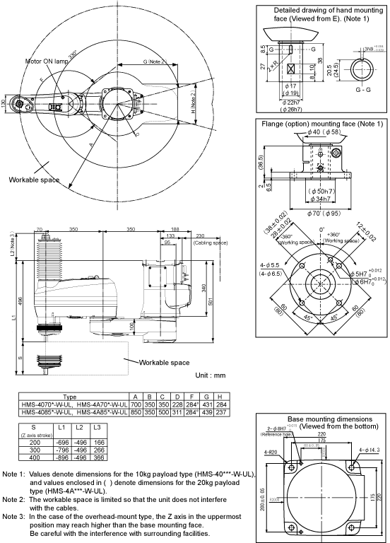
HMS-W-UL Series Robot Unit (Overhead-mount, Dust- & splash-proof type, UL-Listed model)
![]() |
Please refer to this if the figure is not clear.(PDF:130KB)
ID : 5921
ID : 5921
![]() |
Please refer to this if the figure is not clear.(PDF:130KB)
ID : 5921