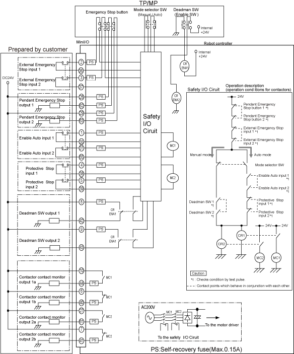
[NPN type] Safety Circuit
The figure below shows an internal connection equivalent circuit for the safety circuit in the controller. The actual safety circuit is configured with safety relays and others.
Safety Circuit

Please refer to this if the figure is not clear.(PDF:293KB)
Different Stop States Resulting from Emergency Stop input, Protective Stop, and Enable Auto (OFF)
- The emergency stop input (External Emergency Stop or teach pendant/mini-pendant input) shuts down the power to the motor and resets the program, provided that the Continue parameter is set to the default (0: Disable) in Continue setting.
- The Protective Stop or Enable Auto (OFF) input signal shuts down the power to the motor and places the robot in the Continue Stop state.

