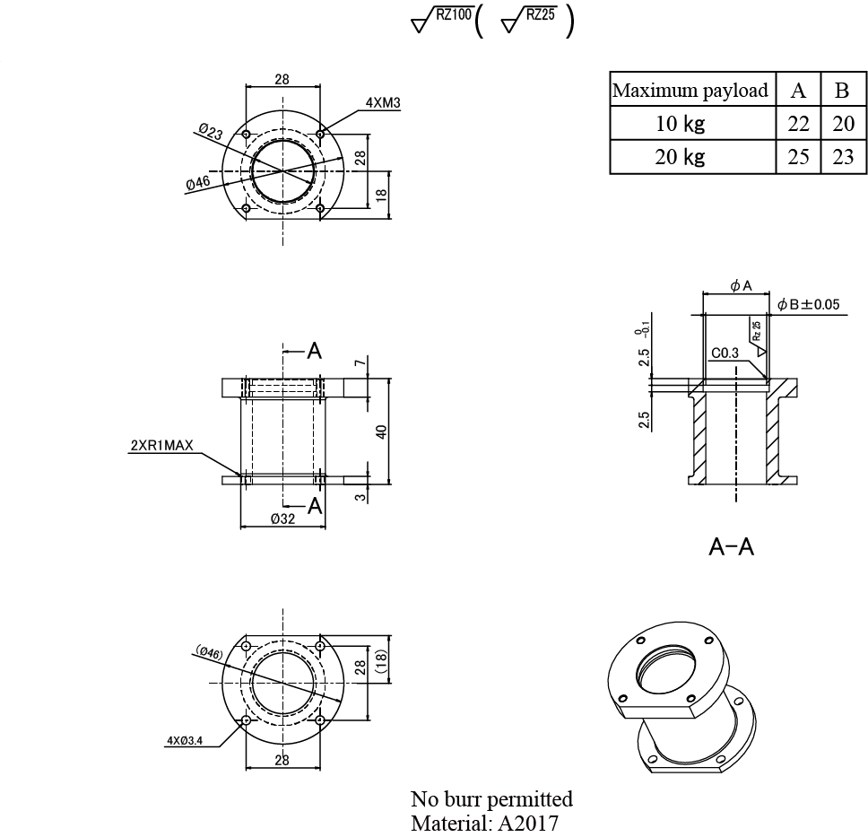
Reference Drawing for Stay 3 and 4
Reference Drawing for Stay 3
|
Reference Drawing for Stay 4
Standard type (HM/HMS series)
|
Dust-& splash-proof type (HM/HMS-W series)
|
Reference Drawing for Shaft 1
For a UL-listed type robot, create an extension shaft (refer to the diagram below) , and then mount it on the top of the T axis.





