Specifications of Solenoid Valve
Solenoid Valve Specifications
Solenoid Valve Specifications of XR Series (option)
| Item | Specifications | |
|---|---|---|
|
Valve |
Switching system | 2-position double |
| Applicable fluid | Air | |
| Operating system | Pilot type | |
| Effective cross section (CV value) | 1.2mm2 | |
| Lubrication | Not required | |
| Operating pressure resistance | 0.2 to 0.7 MPa | |
| Response time | 10ms or less (at 0.5 MPa) | |
| Maximum operating frequency | 5Hz | |
| Ambient temperature |
- 10 to 50℃ (No dew condensation allowed.) (When dry air is used) |
|
|
Solenoid |
Operating voltage | 24V±10% |
| Power consumption (current) | DC 0.35W(15mA)×4 | |
| Surge voltage protection circuit | Zener diode |
Solenoid Valve Specifications of XR2 (Standard equipment)
| Item | Specifications | |
|---|---|---|
| Valve |
Switching system | 2-position double |
| Applicable fluid | Air | |
| Operating system | Pilot type | |
| Effective cross section (CV value) | 1.2mm2 | |
| Lubrication | Not required | |
| Operating pressure resistance | 0.05 to 0.59 MPa | |
| Response time | 10ms or less (at 0.5 MPa) | |
| Maximum operating frequency | 5Hz | |
| Ambient temperature | - 10 to 50℃ (No dew condensation allowed.) (When dry air is used) |
|
| Solenoid |
Operating voltage | 24V±10% |
| Power consumption (current) | DC 0.35W(15mA)×3 | |
| Surge voltage protection circuit | Zener diode |
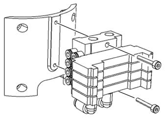
Mounting the Optional Valve of XR Series
Mount the optional valve of XR series using the procedure given below.
Supply dry air filtered through an air filter (Recommended filtration rating: 5 μm or below).
Before piping, blow the air tube out with dry air to clean out the inside (flushing); otherwise, any chips, cutting oil, dust or dirt remaining in the air tube may result in a damaged valve.
1
Peel the seal off the cover.
Remove the four hexagonal socket-head bolts (M4) to take off the cover.

2
Secure the optional valve to the cover with two bolts (M4).
Tightening torque: 3.7 ±0.7 N・m

3
Connect the red and blue connectors and the air tube to the optional valve.

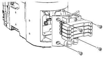
4
Mount the cover combined with the optional valve to the robot unit, taking care not to squeeze the wires or air tube. Make sure that the air tube is not folded.
Tightening torque: 3.7 ±0.7 N・m

Precaution on Handling Solenoid Valve
Do not apply any pressure on the solenoid valve, as this may cause air leakage and damage the valve.

