Select manual
VS SERIES USER'S MANUAL
VM SERIES USER'S MANUAL
VP SERIES USER'S MANUAL
PROGRAMMER'S MANUAL
RC8 CONTROLLER MANUAL
MINI I/O MANUAL
SYSTEM I/O SIGNALS GUIDE
PARALLEL I/O BOARD MANUAL
DEVICENET SLAVE BOARD MANUAL
CC-LINK REMOTE DEVICE BOARD MANUAL
ELECTRIC GRIPPER GUIDE
PROVIDER GUIDE
FUNCTION GUIDE
TEACH PENDANT OPERATION GUIDE
MINI PENDANT OPERATION GUIDE
TP PANEL GUIDE
SAFETY PRECAUTIONS
BASIC KNOWLEDGE OF ROBOTS
OPTIONAL COMPONENTS
WINCAPSⅢ GUIDE
UNRECOMMENDED COMMAND
HM SERIES USER'S MANUAL
HS SERIES USER'S MANUAL
RC7M COMMAND CORRESPONDENCE TABLE
PROFIBUS SLAVE BOARD MANUAL
ERROR CODE
XR SERIES USER'S MANUAL
ETHERNET/IP ADAPTER BOARD MANUAL
STARTUP MANUAL
EXTENDED-JOINT MANUAL
CONVEYOR TRACKING MANUAL
HAND I/O MANUAL
VS-6556/6577 SERIES USER'S MANUAL
MC8 (MOTION CONTROLLER) MANUAL
CONTROLLER PROTECTIVE BOX MANUAL
PROFINET IO DEVICE BOARD MANUAL
DEVICENET MASTER BOARD MANUAL
TRANSFER ROBOT USER'S MANUAL
I/O CONVERSION BOX
PARAMETER LIST
ETHERCAT SLAVE BOARD MANUAL
EXTERNAL VISUAL DEVICE GUIDE
BUILT-IN VISION GUIDE
COOPERATIVE CONTROL FUNCTION GUIDE
Text Size
S
M
L
ID
HOME
ROBOTS
HM SERIES USER'S MANUAL
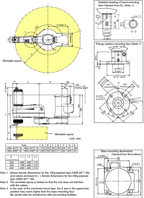
Specifications of the Robot Unit
Outer Dimensions and Workable Space of the Robot Unit
HMS-W Series Robot Unit (Overhead-mount, Dust- & splash-proof type)
<< Prev
Next >>
SAFETY PRECAUTIONS
ROBOTS
START UP MANUAL
CONTROLLER & I/O
OPERATION GUIDE
PROGRAMMING
WINCAPSIII GUIDE
OPTION
ERROR CODE
PARAMETER LIST
OTHERS
HMS-W Series Robot Unit (Overhead-mount, Dust- & splash-proof type)
Please refer to this if the figure is not clear.(
PDF:139KB
)
<< Prev
Next >>
Back to Top