ID : 10722
How to Mount
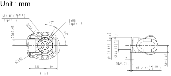
Tool Installation Hole
To install a tool in the robot end, use screw holes for tool installation and the datum hole on the flange.
The figure below shows dimensions of each hole.

ID : 10722
- Related Information
- Threaded Screw Holes for Wiring, Piping and Additional Load

