ID : 11062
MC9 series-compatible servo amplifier
If you connect the MC9 series with an MC9 series-compatible servo amplifier, you need to perform additional settings for the MC9 series project.
For details about settings, see Preparation for Startup of MC9 series.
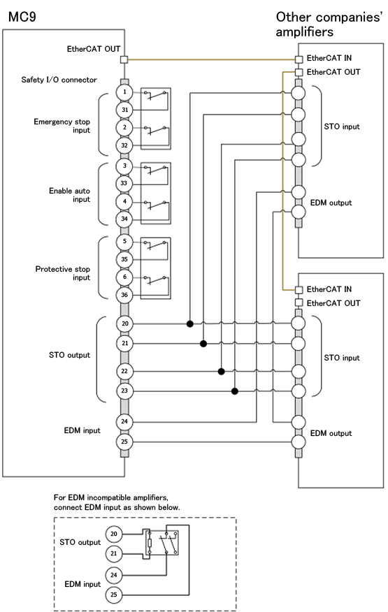
The following shows an example of system diagram for the MC9 series-compatible amplifier connection.
System diagram
Connection Diagrams
ID : 11062

